网站导航:
   产品导航
高铬合金堆焊复合衬板
液压站
电液推杆
电液动回转器(转角器)
液化气动可变槽角犁式卸料器
电液动三、四通分料器
电液动扇形闸门
电液动腭式闸门
平板闸门
电液动料流插板调节闸门
缓冲锁气漏斗
胶带自控液压拉紧装置
全自动液压调正装置
露天胶带机脱排水装置
称量漏斗
自控除尘卸料装置(卸料车)
碎渣机
启闭机
电液动矩形单叶片通风蝶阀
星形卸灰阀
电液动氏金属硬密封卸灰阀
电液动锥形双层卸灰阀
防爆阀
泄压阀
单、双层棒条阀
电动锁风翻板阀
重锤式锁风翻板阀
百叶圆式窗式阀
浆液阀(手动、电液动)
电液动闸阀
高温蝶阀
电液动蝶阀
电液动两路换向阀
电液动球阀
高耐磨耐热复合钢板

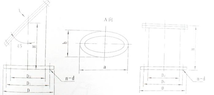
FBV-F(Y)型防爆阀

 用 途

  该阀适用于建材、冶金、化工、电力等部门中,作为压缩易爆气体管道的卸压装置。

 特点

   该阀为钢制焊接结构、结构简单、重量轻、性能可靠。

 工作原量

   该阀由阀体、爆破片、压盖等组成,当系统压力大于0.1MPa压力时,爆破片自行破裂,防止系统发生爆炸。

 型号编制说明


 主要性能参数

 

适用介质 压缩易爆气体
工作温度(℃) ≤300
使用压力(MPa) 0.1

 外形连接安装尺寸

 

   

 

                                   

江苏海鑫液压机械有限公司 版权所有   
以上资料均由客户提供,技术支持:扬州天利网络技术开发有限公司